产品总汇Products
产品列表
当前位置:首页 > > 产品总汇 > 电动阀 > 电动蝶阀

电动蝶阀

阀体材质:UPVC、CPVC
公称通径:DN50-500mm
压力范围:0.6、1.0Mpa
流体温度:-20℃-110℃
功能选项:防爆、调节
连接方式:对夹
适用介质:PVC兼容的食品工业化学溶剂
行业应用:应用于 医疗器械、太阳能、清洗设备、食品机械、燃烧器、焊接切割、消防安全、生物制药、机械制造、石油化工等行业

咨询热线:0577-27863708
此产品相关资料下载
  • 产品描述

概述:

CPVC电动蝶阀重量轻、耐腐蚀性强,被应用于多个领域,如一般纯水和生饮水的管路系统、排水和污水管路系统、盐水
和海水管路系统、酸碱和化学溶液系统等多个行业,品质得到广大用户的认可。

详细参数

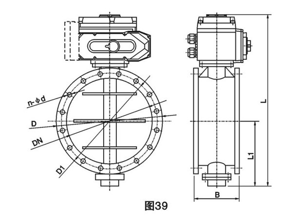
主要外形尺寸(虚线部分为模拟量控制盒,开关型无此尺寸)

阀门连接尺寸及重量

返回列表
在线客服

在线客服