产品总汇Products
产品列表
当前位置:首页 > > 产品总汇 > 电动阀 > 电动蝶阀

防爆电动法兰式蝶阀

阀体材质:铸铁、铸钢、304
公称通径:DN50~2000mm
压力范围:0.6、1.0、1.6Mpa
流体温度:-20℃-150℃
功能选项:防爆、调节、开关
连接方式:对夹、法兰
适用介质:淡水、海水、食品、天然气、醇类、盐类、酸、碱、油、蒸汽、空气等
行业应用:应用于 医疗器械、太阳能、清洗设备、食品机械、燃烧器、焊接切割、消防安全、生物制药、机械制造、锅炉等行业

咨询热线:0577-27863708
此产品相关资料下载
  • 产品描述

概述:

电动对夹式蝶阀是由蝶阀与电动执行机构(可选防爆)配套,输入控制信号(4~20mA或1~5VDC)及单相电源即可控制运转,电动蝶阀具有功能强、体积小、轻便宜人、性能可靠、配套简单、流通能力大,电动蝶阀特别是适合介质是粘稠、含颗粒、纤维性质的场合。目前该电动调节蝶阀广泛应用于食品、环保、轻工、石油、造纸、化工、教学和科研设备、电力等行业的工业自动控制系统中。

详细参数

密封副适用介质,温度推荐表

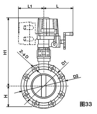
安装尺寸(单位:mm)(虚线部分为模拟量控制盒,开关型无此尺寸)

在线客服

在线客服