产品总汇Products
产品列表
当前位置:首页 > > 产品总汇 > 电动阀 > 电动球阀

电动V型调节球阀

阀体材质:WCB、304、316
公称通径:DN25-300mm
压力范围:1.6、2.5、4.0、6.4Mpa
流体温度:-40℃-400℃
功能选项:调节、开关、防爆
适用介质:水、石油、硝酸类、醋酸类、粘性流体、浆料、强氧化性介质等
行业应用:应用于 医疗器械、太阳能、清洗设备、食品机械、燃烧器、焊接切割、消防安全、生物制药、机械制造等行业

咨询热线:0577-27863708
此产品相关资料下载
  • 产品描述

概述:

电动V型调节球阀,配用BS系列执行机构,无需另配伺服放大器,输入(4~20mADC或1-5VDC)信号及单相电源即可控制运转、实现对压力、流量、温度、液位等参数的调节。阀芯上开有V型切口,与硬密封阀相对转动产生剪切力,可将纤维切断,防止卡死。具有流通能力,调节精度高,可调比大,密封性好,重量轻等特点。适用于除小口径、角型、三通连接外的大部分场合,是替代进口产品的最佳产品,特别适用于泥浆和含有纤维性介质,以及含有微小固体悬浮物介质的调节。广泛应用于造纸业、制糖、石油、化工、冶金等工业自动控制系统中。

详细参数

阀门规格参数

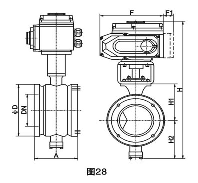
阀门连接尺寸(虚线部分为模拟量控制盒,开关型无此尺寸)

主要连接尺寸

返回列表
在线客服

在线客服