产品总汇Products
产品列表
当前位置:首页 > > 产品总汇 > 电动阀 > 电动球阀

电动三通超低温法兰球阀

阀体材质:WCB、304、316
公称通径:DN15-200mm
压力范围:1.6、2.5Mpa
流体温度:-196℃-60℃
功能选项:开关、防爆、调节
适用介质:空气、水、气体、石油和石化产品、腐蚀性介质
行业应用:应用于 医疗器械、太阳能、清洗设备、食品机械、燃烧器、焊接切割、消防安全、生物制药、机械制造等行业

咨询热线:0577-27863708
此产品相关资料下载
  • 产品描述

概述:

电动三通球阀采用BS型、回转式角行程电动执行机构,以AC220V、AC380V或DC24V电源电压作动力,接受工业自动化仪表控制系统输入的(4-20mA)电流信号或电压信号,即可控制运转,实现对工艺介质的比例调节或二位切换控制,三通球阀是综合国内外先进技术而开发的新型三通切换调节阀。标准球芯有L型三通爽口孔种,改变球芯与管道的相对角度。可以对三支管道流体实现不同的组合控制;T型孔道可起配比作用,适用于液体、气体、蒸汽等介质的配比调节与控制。

详细参数

阀门的参数

工作形式

L型l流道的三通4面阀座球阀,采用2面阀座,受力平衡,保证闭上通道的可靠密封。主要用于流路的换向。T型流道的三通4面阀
座,由于采用4面阀座,受力平衡,保证闭止通道的可靠密封。主要用于分流、混流、换向以及三通道的完全开放。

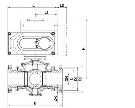
安装尺寸(虚线部分为模拟量控制盒,开关型无此尺寸)

在线客服

在线客服