概述:
电动三通球阀采用BS型、回转式角行程电动执行机构,以AC220V、AC380V或DC24V电源电压作动力,接受工业自动化仪表控制系统输入的(4-20mA)电流信号或电压信号,即可控制运转,实现对工艺介质的比例调节或二位切换控制,三通球阀是综合国内外先进技术而开发的新型三通切换调节阀。标准球芯有L型三通爽口孔种,改变球芯与管道的相对角度。可以对三支管道流体实现不同的组合控制;T型孔道可起配比作用,适用于液体、气体、蒸汽等介质的配比调节与控制。
工作形式
L型l流道的三通4面阀座球阀,采用2面阀座,受力平衡,保证闭上通道的可靠密封。主要用于流路的换向。T型流道的三通4面阀
座,由于采用4面阀座,受力平衡,保证闭止通道的可靠密封。主要用于分流、混流、换向以及三通道的完全开放。
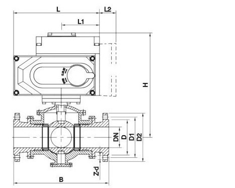
安装尺寸(虚线部分为模拟量控制盒,开关型无此尺寸)