产品总汇Products
产品列表
当前位置:首页 > > 产品总汇 > 电动阀 > 电动球阀

电动内螺纹球阀

阀体材质:WCB、304、316
公称通径:DN15-100mm
压力范围:1.6~6.4Mpa
流体温度:20℃-400℃
功能选项:开关、调节、防爆
连接方式:内螺纹、对焊
适用介质:水、石油、硝酸类、醋酸类、粘性流体、浆料、强氧化性介质等
行业应用:应用于 石油化工、水处理、清洗设备、食品机械、燃烧器、焊接切割、消防安全、生物制药、机械制造等行业

咨询热线:0577-27863708
此产品相关资料下载
  • 产品描述

概述:

电动三片式球阀采用一体化结构,与BS电动执行机构相配,有输入控制信号(4~20mADC或1~5VDC)及单相电源即可控制运转,具有功能
强、体积小、轻便宜人、性能可靠、配套简单、流通能力大、特别适合于介质是粘稠,含颗粒,纤维性质的场合。目前该阀广泛应用于食品、环保、轻工、石油、造纸、化工、教学和科研设备、电力等行业的工业自动控制系统中。

详细参数

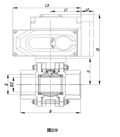
阀门连接尺寸及重量(虚线部分为模拟量控制盒,开关型无此尺寸)

在线客服

在线客服