产品总汇Products
产品列表
当前位置:首页 > > 产品总汇 > 气动阀 > 气动球阀

美标气动法兰球阀

阀体材质:WCB、304、316
公称通径:DN15-DN200
压力范围:150磅-600磅
流体温度:-20℃-450℃
功能选项:防爆、单作用
连接方式:法兰
适用介质:水、油品、汽体、硝酸类、醋酸类等适用广泛
行业应用:应用于 医疗器械、太阳能、清洗设备、食品机械、燃烧器、焊接切割、消防安全、生物制药、机械制造等行业

咨询热线:0577-27863708
此产品相关资料下载
  • 产品描述

概述:

美标气动球阀在管路中主要用来做切断速度快、分配和改变介质的流动方向。气动球阀是近年来应用最广泛的新型阀门,具有以下优点:流体阻力小,其阻力系数与同长度的管段相等。结构简单、体积小、重量轻。紧密可靠,球阀的密封面材料广泛使用塑料、密封性好,在真空系统中也已广泛使用。操作方便,开闭迅速,从全开到全关只要旋转90°,便于远距离的控制。维修方便,气动球阀结构简单,密封圈一般都是活动的,拆卸更换都比较方便。在全开或全闭时,球体和阀座的密封面与介质隔离,介质通过时,不会引起阀门密封面的侵蚀。气动阀门适用范围广,通径从小到几毫米,大到几米,从高真空至高压力都可应用。广泛应用于石油、化工、发电、造纸、原子能、航空、火箭等各部门,以及日常生活中。

详细参数

技术规范

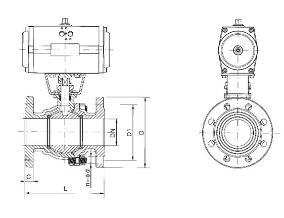
注:系列球阀结构长度及连接法兰尺寸可根据用户要求设计

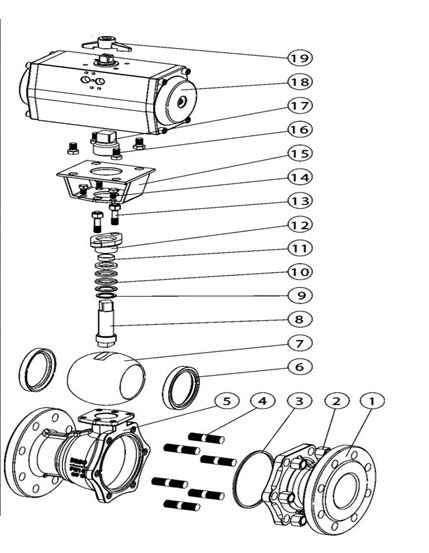
主要零件材质表

主要零部件及密封圈的材质亦可根据实际工况条件或用户特殊要求设计选用。

主要外形及连接法兰尺寸

在线客服

在线客服