概述:
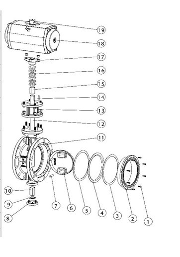
气动法兰式多层次硬密封蝶阀系列产品,系长寿命、节能型蝶阀。其结构采用三维编心原理设计,阀座采用硬软密封兼容的多层次结构,加工精湛,工艺先进。本产品由阀体、蝶板、多层次阀座、阀杆、传动机构等主要部件组成。因此被广泛地应用到冶金、电力、石油、化工、空气、煤气、可燃气体以及给排水等腐蚀性介质的管道上。由于本产品蝶阀采用的是三维偏心原理设计,使密封面的空间运动轨迹达到理想化,密封面相互之间无磨擦、无干涉、加之密封材料选择得当,从而使蝶阀的密封性、耐腐蚀性、耐高温性和耐磨性等得到了可靠的保证。
技术规范
注:系列蝶阀结构长度及连接对夹法兰尺寸可根据用户要求设计制造
主要零件材质表
注:主要零部件及密封圈的材质亦可根据实际工况条件或用户特殊要求设计选用.
主要外形及连接法兰尺寸